MC3132 – модуль мультиплексора с 32-мя изолированными каналами для установки в слот системы сбора данных и коммутации Rigol М300.
Просим уточнять актуальные цены у менеджеров компании.
Описание
MC3132 – модуль мультиплексора с 32-мя изолированными каналами для установки в слот системы сбора данных и коммутации Rigol М300. Экранированный модуль MC3132 выполнен на печатной плате с установленными на ней микросхемами, пассивными радиокомпонентами, коммутационными разъёмами для сопряжения с базовым блоком M300, DMM-MC3065, терминальным блоком M3TB32, терминальным блоком M3TB32T.
Применение
Для коммутации каналов в составе системы коммутации и сбора данных Rigol М300
Назначение
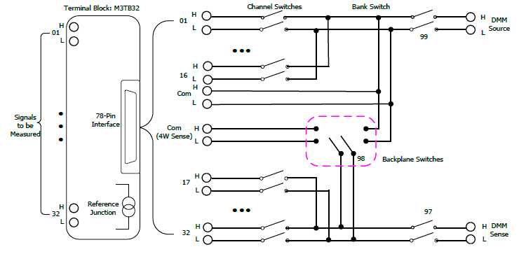
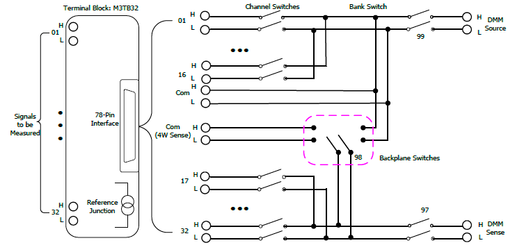
Модуль MC3132 используется как 32-канальный мультиплексор (сокращенно MUX-32), разделен на два банка по 16 двухпроводных каналов (HI и LO) в каждом, применяется для 2-проводных и 4-проводных соединений.
Особенности и преимущества
- 32 канальный мультиплексор;
- переключение входов HI/LO;
- подключение сигнала через М3ТВ32, M3TB32T;
- совместимость с модулем МС3065;
-
оптимальное отношение цена/качество.

Рис.Схема MC3132

Рис.Разъём подключения MC3132
Мы предлагаем купить модуль мультиплексора с 32-мя изолированными каналами для установки в слот системы сбора данных и коммутации Rigol М300 в Москве и Санкт-Петербурге. Также осуществляем доставку в другие регионы России. Контрольно-измерительное оборудование RIGOL имеет сертификаты соответствия, подтверждающие его высокое качество, надежность и продолжительность службы. Все цифровые системы коммутации и сбора данных имеют официальные гарантии производителя - китайской компании RIGOL, заслужившей признание во многий европейских странах, благодаря оптимальному соотношению технических параметров, надежности и цены.
Заказать модуль мультиплексора для установки в слот системы сбора данных и коммутации Rigol М300 можно через корзину сайта, по телефону или отправить запрос по эл.почте. Специалисты магазина расскажут более подробно о выбранном оборудовании, его возможностях, сфере применения, организуют доставку товара по России.